Parallel and series connection of capacitors

Objects of the experiments
Determining the total capacitance of two capacitors in parallel connection and comparing with the capacitances of the individual capacitors.
Determining the total capacitance of two capacitors in series connection and comparing with the capacitances of the individual capacitors
Principles

The capacitance C of a capacitor is the proportionality coefficient between the charge Q on the capacitor and the applied voltage U:
Q = C ⋅ U (I).
When two capacitors with the capacitances C1 and C2 are parallel-connected, they take the total charge Q = Q1 + Q2 (II)
Q1, Q2: individual charges
because the voltage U is applied to both capacitors (see Fig. 1). Because of Eq. (I), the capacitance of the parallel connection is
C = C1 + C2 (III).
In a series connection, both capacitors take the same charge Q. The applied voltage U is the sum of the individual voltages U1 and U2:
U = U1 + U2 (IV).
The capacitances of the series connection therefore fulfil the equation 1
C = 1 C1 + 1 C2 (V).
In the experiment, these relations are studied by means of two plate capacitors with different capacitances C1 and C2.
The capacitors are set up side by side, and both parallel or series connection can be chosen. An insulating plate between the two capacitors ensures that the charges on the capacitors cannot influence each other through electrostatic induction. Charges are measured with an electrometer amplifier operated as a coulombmeter. Any voltmeter may be used to display the output voltage UA.
From the reference capacitance CA
Q = CA ⋅ UA (VI).
is obtained. For example, at CA = 10 nF, UA = 1 V corresponds to the charge Q = 10 nAs. In this case, the capacitance to be measured is C =200 pF, if the voltage U = 50 V has been applied.
Apparatus

Setup

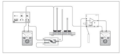
The experimental setup is illustrated in Fig. 2.
Mount the pairs of large and small plates (as a distance between the plates choose 6 mm for both pairs), and put the polystyrene plate between them.
Connect the voltmeter to the output of the power supply.
Connect the positive pole of the power supply to socket B of the two-way switch.
Connect the negative pole of the power supply to the earth socket of the electrometer amplifier. Connect the connection rod to the earth socket of the electrometer amplifier with a connection lead. Connect socket C of the two-way switch to the input of the electrometer amplifier.
Plug the reference capacitor CA = 10 nF in at the electrometer amplifier.
Supply the electrometer amplifier with voltage from the plug-in unit.
Connect the voltmeter to the output of the electrometer amplifier.
The experiment
a) large plate capacitor
– Set the output voltage U of the power supply to 50 V.
– Connect the “inner” plate of the large plate capacitor to socket A of the two-way switch and the “outer” plate to the earth as shown in Fig. 3a.
– Establish the connection AC with the two-way switch, and discharge the large plate capacitor with the connection rod.
– Hold the connection rod in your hand, and change the two-way switch to the connection AB to charge the plate capacitor.
– Set the two-way switch back to the connection AC, measure the charge Q on the capacitor with the electrometer amplifier, and calculate the capacitance C from it.

b) small plate capacitor:
– Connect the small plate capacitor as shown in Fig. 3b.
– Establish the connection AC with the two-way switch, and discharge the plate capacitor with the connection rod.
– Hold the connection rod in your hand, and charge the small plate capacitor.
– Measure the charge Q, and calculate the capacitance C from it.

c) parallel connection:
– As shown in Fig. 3c, connect the two inner plates to each other and to socket A of the two-way switch; connect the two outer plates to the earth.
– Discharge the parallel-connected capacitors, then charge them, measure the charge Q, and calculate the capacitance C.

d) series connection:
– Set the series connection up as shown in Fig. 3d.
– Discharge the series-connected capacitors, then charge them, measure the charge Q, and calculate the capacitance C

Measuring example
U = 50 V, d = 6 mm:

Evaluation
Parallel connection:
Application of Eq. (II) leads to C = 130 pF +240 pF = 370 pF. Measuring result: C = 360 pF.
Series connection: Application of Eq. (IV) leads to 1 C = 1 240 pF + 1 130 pF = 0.01186 1 pF. From this C = 84.3 pF follows. Measuring result: C = 88 p
Results
The capacitance of parallel-connected capacitors is equal to the sum of the individual capacitances. The reciprocal of the capacitance of series-connected capacitors is equal to the sum of the reciprocals of the individual capacitances.




